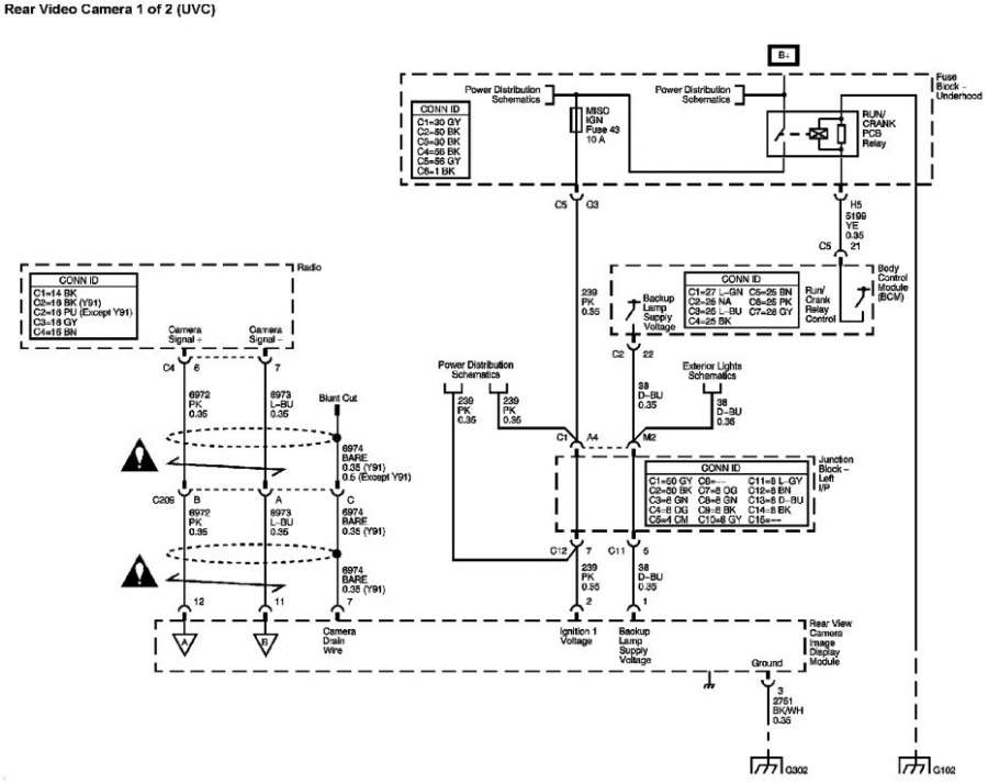
Rear View Camera Esc'2007 1 of 2
-
pdi
- Постоялец

- Сообщения: 313
- Зарегистрирован: 20 май 2014 12:15
Вернуться в «pdi»
Использование и перепечатка печатных материалов сайта escaladeclub.su возможно только с активной ссылкой на ресурс.
Использование фотоматериалов разрешено только с письменного согласия администрации сайта.
Размещение объектов интеллектуальной собственности (фото, видео, литературные произведения, товарные знаки и т.д.)
на сайте escaladeclub.su разрешено только лицам, имеющим все необходимые права для такого размещения.
Copyright (с) 16+
Эскалэйд клуб Эскалейд клуб Escalade club forum escalade forum cadillac форум escalade форум эскалэйд форум эскалейд форум эскалейд форум tahoe форум тахо cadillacclub escaladeclub tahoeclub clubcadillac clubescalade clubtahoe gmtclub clubgmt v8club сайт кадиллак эскалейд клуб кадиллак эскалейд клубcadillac escalade club посвящен кадиллак эскалейд cadillac escalade фото кадиллак эскалейд cadillac escalade новости кадиллак cadillac по производству кадиллак эскалейд cadillac escalade тест драйв кадиллак эскалейд cadillac escalade отзывы владельцев о Кадиллак эскалейд cadillac escalade цены и информация где можно купить кадиллак эскалейд cadillac escalade диагностика ремонт и техническое обслуживание кадиллак эскалейд cadillac escalade фото escalade фото эскалэйд фото эскалейд фото tahoe фото тахо